双柱双工位换网器,特殊密封结构设计,采用双流道双滤网设计,双网可同时使用。换网时一网工作,一网更换,不中断料流,不中断产品,真正实现不停机换网。提高了制品的质量,满足客户更高产能、更优质的生产需求。
性能特点:
双流道设计提高了过滤面积,满足了更高产量、更高质量的生产要求。
具有良好的密封特性,刚性密封,使用寿命长。
具有充料排气、排污功能可保证换网过程产品连续。
根据用户需求可特殊设计、加工各种尺寸规格。
结构设计合理,操作方便,效果优良。
应用范围:双柱式双工位快速换网器可以和各种热熔胶、胶黏剂、涂料等混合剂制品生产线配套,用于物料共混过滤尤其适用于流延膜和板、片材的生产,效果优良,增产节能无废料。

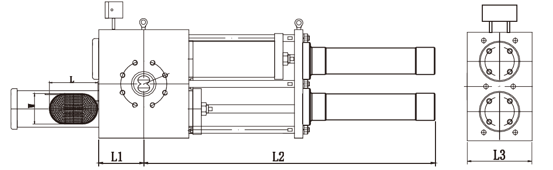
| 产品规格型号 | 相关产量output | 轮廓尺寸(mm) size | 滤网尺寸screen size | 加热器Heating tube | |||||
| type | kg/h | Ll | L2 | L3 | 直经(mm) | 面积(cm²) | 数量 | 电压(V) | 加热功率(w) |
| HK-DP-2R-80 | 30~180 | 100 | 800 | 170 | Ф60 | 28x2 | 6 | 230/400 | 500/700 |
| HK-DP-2R-100 | 80~280 | 110 | 830 | 200 | Ф80 | 50x2 | 6 | 230/400 | 800/1100 |
| HK-DP-2R-120 | 130~380 | 125 | 850 | 220 | Ф100 | 78x2 | 6 | 230/400 | 900/1200 |
| HK-DP-2R-145 | 300~700 | 165 | 1020 | 270 | Ф125 | 123x2 | 6 | 230/400 | 1400/1800 |
| HK-DP-2R-170 | 400~1100 | 195 | 1120 | 310 | Ф150 | 177x2 | 6 | 230/400 | 1600/2200 |
| HK-DP-2R-195 | 650~1500 | 220 | 1270 | 380 | Ф175 | 240x2 | 6 | 230/400 | 2500/3500 |
| HK-DP-2R-220 | 850~1900 | 245 | 1350 | 410 | Ф200 | 314x2 | 10 | 230/400 | 2300/2800 |
| HK-DP-2R-250 | 1100~2600 | 280 | 1500 | 460 | Ф230 | 415x2 | 12 | 230/400 | 2500/3200 |

| 产品规格型号 | 相关产量output | 轮廓尺寸(mm)size | 滤网尺寸screen size | 加热器Heating tube | |||||
| type | kg/h | L1 | L2 | L3 | 尺寸(mm)Lxw | 面积(cm²) | 数量 | 电压(V) | 加热功率(W) |
| HK-DP-2E-120 | 200~800 | 150 | 850 | 220 | 100x145 | 124x2 | 6 | 230/400 | 800/1200 |
| HK-DP-2E-145 | 400~1100 | 165 | 1020 | 270 | 125x170 | 179x2 | 6 | 230/400 | 1400/2000 |
| HK-DP-2E-170 | 680~1500 | 220 | 1300 | 310 | 150x230 | 296x2 | 6 | 230/400 | 1600/2200 |
| HK-DP-2E-195 | 1000~2600 | 240 | 1420 | 380 | 175x270 | 406x2 | 6 | 230/400 | 2500/3500 |
| HK-DP-2E-220 | 2300~4400 | 280 | 1665 | 410 | 200x300 | 514x2 | 10 | 230/400 | 2500/3200 |
| HK-DP-2E-250 | 2900~6000 | 310 | 1720 | 460 | 230x310 | 600x2 | 12 | 230/400 | 2800/3500 |
| HK-DP-2E-270 | 2900~6000 | 350 | 1900 | 500 | 250x345 | 737x2 | 12 | 230/400 | 3200/4000 |
注:实际产量取决于物料的流动性、过滤精度以及物料的纯净度。参数如有变动恕不另行通知。
Note: The actual output depends on material flowability fiter fineness and material purity. Specifiations are subject to change without pior notice
在塑料加工行业中,挤出机换网器作为关键设备之一,在发泡生产线中扮演着至关重要的角色。本文将深入探讨挤出机换网器的工作原理、功能特性以及在发泡生产线中的具体应用,以期为读者提供全面而深入的理解。...
熔体泵具有结构紧凑、制造工艺简单、成本低、对油污不敏感等优点,应用广泛。但是,由于制造、装配、操作、维护过程中的缺陷或维护不当,泵往往会过早损坏甚至报废,导致泵的实际使用寿命达不到设计要求。主要影响因素分析如下。...
熔体计量泵主要安装在挤出机的出口处,用于对各种熔体进行计量和加压。熔体计量泵的优点是运行安全可靠,性能稳定,使用寿命长,运行成本低。挤出机熔体计量泵是一种容积泵,可以选择不同的材料,满足输送不同熔体的需要;熔体计量泵的型号尺寸范围为0.2CC至12000CC。熔体计量泵泵体材质:碳钢、不锈钢304、316、316L、模具钢、合金钢等;熔体计量泵精密齿轮材质:高硬度合金钢、沉淀硬化不锈钢等;轴套材料:碳化硅、硬质合金等。...
熔体泵的理论排量每转排出的熔体体积称为熔体泵的理论排量,或称泵排量,其单位为cc/r或cm³/r。熔体泵的规格一般用排量来表示。熔体泵的理论流量忽略泄漏的影响,根据熔体泵的几何尺寸计算的单位,在一定时间内流过熔体泵的熔体称为泵的理论流量。通常为体积流量和质量流量。理论体积流量由熔体泵的排量乘以转速得到,单位为cm³/min或cc/min,l/min。将熔体密度乘以该值,得到熔体泵的理论质量流量,通常表示为g/min或kg/h、t/h。...
如果您有任何问题或疑问,请随时留言与我们联系,我们将第一时间致电服务。